Канальный вентилятор Ballu FLOW 125 для круглых каналов
Способ подключения: HS (подключение на высоких оборотах)
LS (подключение на низких оборотах)
Посадочный диаметр, мм: 125
Рабочая точка при максимальном расходе, м³/час/Па: HS 240/0, LS194/0
Рабочая точка при максимальном напоре, м³/час/Па: HS 0/92, LS 0/78
Напряжение, В (50 Гц): HS 230, LS 230
Потребляемая мощность, кВт/Макс.рабочий ток,А: HS 0,049/0,35, LS 0,038/0,25
Частота вращения, об. / мин.: HS 2500, LS 2100
Вес, кг: 1,5
Уровень шума (1м), дБ(А): HS 30, LS 25
Класс защиты, IP: 44
Вентиляторы серии FLOW разработаны специально для работы в каналах вентиляционной системы в условиях повышенных требований к уровню шума в помещении. Пластиковые вентиляторы серии FLOW при своей компактной конструкции, имеют низкие шумовые характеристики и высокую производительность. Серия вентиляторов FLOW имеет достоинства центробежных вентиляторов размер 160 (большое давление на выходе) и преимущества осевых вентиляторов размеры 100, 125 (большой расход воздуха, малые уровень шума и габаритные размеры).
- Прочный корпус из АБС-пластика, устойчивый к коррозии и механическим повреждениям
- Двухскоростные двигатели со степенью защиты IРx2 для размеров 100 и 125, не требующие обслуживания
- Низкие шумовые характеристики
- Регулирование скорости в диапазоне от 0 до 100% путем изменения напряжения (тиристорные или автотрансформаторные регуляторы)
Особенности
- Высококачественный АБС-пластик. Вентилятор можно устанавливать в любом положении.
- Универсальность. Вентилятор можно устанавливать в любом положении.
- Бесшумная работа. Благодаря специальной конструкции вентилятор может использоваться в помещениях с высокими требованиями к шумовым характеристикам.
- Простая установка и монтаж. Для установки вентилятора не требуется дополнительных монтажных элементов.
- Высокая производительность. Вентилятор обеспечивает высокую производительность в своем классе вентиляторов.
- Пылевлагозащита. Конструкция вентилятора защищена от брызг воды, которые могут быть направлены на изделие с любого направления, а также от проникновения твердых тел размером более 1мм.
Комплект поставки
с FLOW 125 — специальная крепежная площадка, облегчающая монтаж.
Преимущества
Модульная система
Стандартизированный модельный ряд канальных вентиляторов Ballu Machine позволяет создавать экономичные системы центральной вентиляции малых и средних расходов воздуха. Модульная конструкция вентиляторов Ballu Machine с присоединительными размерами, соответствующими стандартным размерам воздуховодов позволяет подобрать к ним необходимый набор сетевых элементов и создать полноценную систему обработки воздуха в ограниченном монтажном пространстве. При этом расходы на создание вентиляционной системы могут на базе наборной системы с вентилятором LINE, FLOW, ECO могут быть в несколько раз ниже стоимости моноблочных вентиляционных установок.
Применение современных материалов
При создании конструкции, выборе комплектующих и материалов для вентиляторов Ballu Machine кроме основной задачи - создать надежное эффективное оборудование, разработчики стремились максимально снизить стоимость оборудования без ущерба техническим параметрам. Использование в качестве материала корпуса АБС-пластика в некоторых моделях вентилятора позволило снизить себестоимость оборудования, улучшить коррозионостойкость изделия, уменьшить массу, и снизить значения уровня шума, без потери рабочих характеристик.
Широкий модельный ряд
Благодаря широкому модельному ряду вентиляторов Ballu Machine могут быть созданы практические любые вентиляционные системы малой и средней производительности: от простейших вытяжных систем для квартир и офисов с монтажом в отверстия естественной вентиляции до приточных систем с функциями очистки, нагрева и охлаждения воздуха с организацией воздухораздачи по воздуховодам различной протяженности.
Защита двигателя
Двигатель — самый ответственный элемент любого вентилятора. Чувствительный к любым нарушениям в условиях эксплуатации вентилятора, он легко перегревается и при отсутствии дополнительных механизмов защиты выходит из строя, что приводит к необходимости замены всего вентилятора. Вентиляторы Ballu Machine оснащены встроенной термозащитой электродвигателя. Термоконтакты прямоугольных вентиляторов LINE.
Легко и просто
Основной концепцией продукта является простой подход во всем — простота работы, обслуживания, сервиса и монтажа. Комплектация вентиляторов WIND, ECO, FLOW приспособлениями для монтажа и возможность монтажа вентиляторов в любом положении упрощают процесс инсталляции.
Гарантия качества
Вся продукция Ballu Machine проходит 100% всестороннее тестирование по завершении производственного цикла. Тщательно проверяются все рабочие параметры и качество изготовления, что позволяет давать гарантию на продукцию Ballu Machine 20 месяцев.
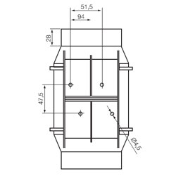
Габаритные размеры